ねじ込み継手の規格
鋳造品 JIS G 5121 鍛造品 JIS G 3214 パイプ JIS G 3459 丸棒 JIS G 4303 304 (SCS 13A) 316 (SCS 14A)
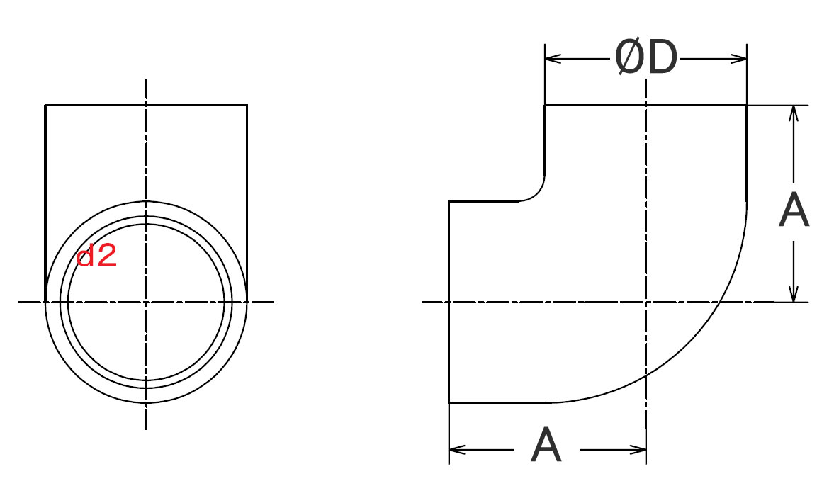
サイズ(mm)SUS304SUS316